多多28

WOER (002130): 0 0 (0%)

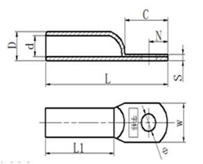
管压铜接线端子

应用领域:

管压铜接线端子主要应用于户内(或干燥环境下户外)35KV及以下铜芯电缆终端与电器设备铜端连接

下载手册

1、采用镀锡,酸洗等表面处理。具有抗氧化能力强,耐腐蚀性强,通电性能好等优点。
2、采用优质退火材料,可优化材料及其压接性能,保证压接牢固;机械拉力负荷试验得到国家电力器材产品安全性能质量监督检验中心检测报告,检测依据:GB/T 14315-2008。
3、采用先进自动化设备生产工艺,产品尺寸精确、稳定。

4、采用优质T3及以上铜材精制而成,铜含量≥99.7% 具有良好的导电性,导电率不低于86%IACS。铜原材料符合国家标准:GB/T5231-2001。

image.png

image.png

返回
Tel: 86 755-28299160