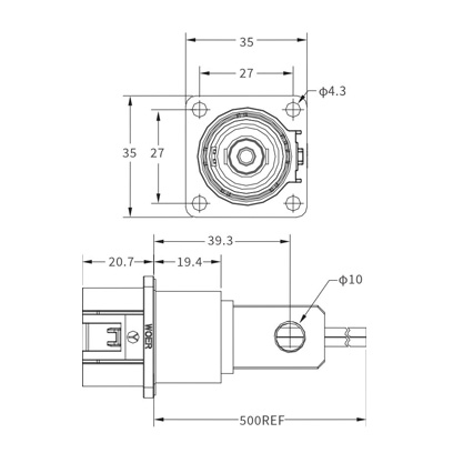
弯头尾部可正反转向90°,使用过程中能够很好的方便布线。在紧凑的空间内,增加了高压互锁设计,能够在插合过程中很好的保护作用。
该系列连接器是设计于电动车、混合动力市场的大电流传输的连接器,可压接35至70平方线,电流载流范围为150~250A,主要应用在电动、混合动力汽车高压配电箱、车载充电机电池包、电机、电控等辅助设备连接上。
1、电气特性
■ 额定电压:2000V DC
■ 额定电流(工作环境温度30℃):
150A(适配电缆35mm²)
200A(适配电缆50mm²)
250A(适配电缆70mm²)
■ 绝缘电阻:≥2000MΩ(常态)
■ 耐 压:3000V AC
2、其他参数
■ 防护等级:IP67
■ 环境温度:-40℃~+125℃
■ 连接器芯数:单芯
■ 配线规格:30~70mm²电缆
■ 机械寿命:≥200次
3、材料及表面处理
■ 壳体材料:锌合金 铝合⾦
■ 壳体表面处理:镀镍或其他
■ 密封体材料:PA66
■ 阻燃等级:Ul94 V-0
■ 插针及插孔材料:铜合金
■ 表面处理:镀银
■ 密封体:硅橡胶
直头插头型号明细
| 序号 | 订货型号 | 产品描述 | 适配线缆规格 |
| 1 | HPL18*-301-35 | 直头*键位带高压互锁插头 | 35mm²屏蔽线 |
| 2 | HPL18*-301-50 | 直头*键位带高压互锁插头 | 50mm²屏蔽线 |
| 3 | HPL18*-301-70 | 直头*键位带高压互锁插头 | 70mm²屏蔽线 |
| 4 | HPL18*-300-35 | 直头*键位不带高压互锁插头 | 35mm²屏蔽线 |
| 5 | HPL18*-300-50 | 直头*键位不带高压互锁插头 | 50mm²屏蔽线 |
| 6 | HPL18*-300-70 | 直头*键位不带高压互锁插头 | 70mm²屏蔽线 |
说明:“*”代表键位,有X、Y、W三种键位选择。
弯头插头型号明细
| 序号 | 订货型号 | 产品描述 | 适配线缆规格 |
| 1 | HPL28*-301-35 | 弯头*键位带高压互锁插头 | 35mm²屏蔽线 |
| 2 | HPL28*-301-50 | 弯头*键位带高压互锁插头 | 50mm²屏蔽线 |
| 3 | HPL28*-301-70 | 弯头*键位带高压互锁插头 | 70mm²屏蔽线 |
| 4 | HPL28*-300-35 | 弯头*键位不带高压互锁插头 | 35mm²屏蔽线 |
| 5 | HPL28*-300-50 | 弯头*键位不带高压互锁插头 | 50mm²屏蔽线 |
| 6 | HPL28*-300-70 | 弯头*键位不带高压互锁插头 | 70mm²屏蔽线 |
说明:“*”代表键位,有X、Y、W三种键位选择。
插座型号明细
| 序号 | 订货型号 | 产品描述 | 适配线缆规格 |
| 1 | HPL00*-301-10M10 | 带高压互锁*键位M10螺纹插座 | M10 |
| 2 | HPL00*-301-10M8 | 带高压互锁*键位M8螺纹插座 | M8 |
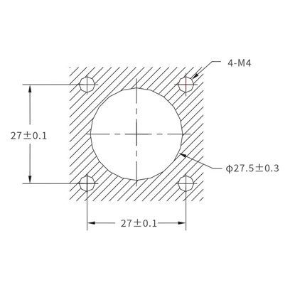
| 3 | HPL00*-301-10D10 | 带高压互锁*键位D10通孔插座 | D10 |
| 4 | HPL00*-301-10D8 | 带高压互锁*键位D8通孔插座 | D8 |
| 5 | HPL00*-300-10M10 | 无高压互锁*键位M10螺纹插座 | M10 |
| 6 | HPL00*-300-10M8 | 无高压互锁*键位M8螺纹插座 | M8 |
| 7 | HPL00*-300-10D10 | 无高压互锁*键位D10通孔插座 | D10 |
| 8 | HPL00*-300-10D8 | 无高压互锁*键位D8通孔插座 | D8 |
说明:“*”代表键位,有X、Y、W三种键位选择。
选型说明
| 产品代码 | HPL |
| 18 | 18-直式插头 28-弯式插头 |
| X | 防误插键位:X-X键位 橙色 Y-Y键位 黑色 W-W键位 红色 |
| 301 | 高压互锁:HVIL 300 不带高压互锁 301 带高压互锁 |
| 50 | 接线规格:35-适配35平方线缆 50-适配50平方线缆 70-适配70平方线缆 |
| 产品代码 | HPL |
| 00 | 00-插座 |
| X | 防误插键位:X-X键位 橙色 Y-Y键位 黑色 W-W键位 红色 |
| 301 | 高压互锁:HVIL 300 不带高压互锁 301 带高压互锁 |
| 10D | 孔种类:10D-通孔 10M-螺纹孔 |
| 10 | 孔/螺纹规格:8-φ8通孔/M8螺纹孔 10-φ10通孔/M10螺纹孔 |